TS 4000 EN 5-7 * Overhead door closer with link arm for single leaf doors with a leaf width of up to 1600 mm
- Closing force with variable adjustment from EN5-7
- Can be used for right and left hand doors without conversion
- Mechanical latching action which accelerates the door shortly before the closed position
- Closing speed can be individually adjusted
- Integrated opening break function, slows down doors that are thrown open forcefully
- Visual closing force display for easy control of the setting
Application Areas
- Fire and smoke protection doors
- Right and left single-action doors
- Single-action doors up to 1600 mm leaf width
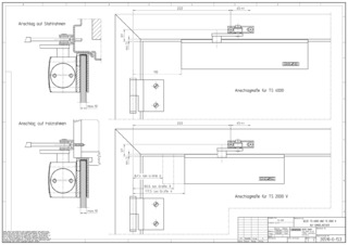
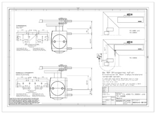
- Door leaf installation hinge side
Technical data
| TS 4000 EN 5-7 | |
| Closing force in accordance with EN 1154 | EN 5 - 7 |
| Leaf width (max.) | 1600 mm |
| Type of installation | Door leaf installation hinge side |
| Opening angle (max.) | 180 ° |
| Suitability for fire protection doors | Yes |
| Closing force adjustable | Yes, stepless |
| Adjustable closing speed | Yes |
| Latching action adjustable | Yes, via link arm |
| Position of closing force adjustment | Front |
| Visual closing force display | Yes |
| Hold-open function | Optional |
Downloads
LABELLING OBLIGATION: © Erwin Kamphuis / GEZE GmbH
LABELLING OBLIGATION: © Erwin Kamphuis / GEZE GmbH
LABELLING OBLIGATION: © GEZE GmbH
Variants & Accessories
* Notice about the products displayed
The products mentioned above may vary in form, type, characteristics and function (design, dimensions, availability, approvals, standards etc.) depending on the country. For questions please contact your GEZE contact person or send us an E-Mail .