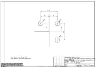
PT 63 * Glass Fitting vinkel- og hjørneforbindelsesbeslag med endestop
- Elegante dækkapper af poleret eller børstet rustfrit stål
- Problemløs tilpasning til glastykkelser på 10 - 12 mm
Anvendelsesområder
- Til faststående helglasanlæg
- Til glastykkelser 10 og 12 mm
- Til inden- og udendørsanlæg
Produktspecifikationer
| PT 63 | |
| Dimensioner | 105 x 32 x 105 mm |
| Bredde | 32 mm |
| Længde | 105 mm |
| Højde | 105 mm |
| Glastykkelse (min.) | 10 mm |
| Glastykkelse (maks.) | 12 mm |
| Monteringstype | Glasdørklemme |
Downloads
LABELLING OBLIGATION: © GEZE GmbH
Varianter & Tilbehør
* Note om de viste produkter
Det ovennævnte produkt kan variere i form, type, karakteristika og funktion (design, dimensioner, tilgængelighed, godkendelser, standarder, etc.) afhængigt af landet. Kontakt venligst din kontaktperson hos GEZE ved spørgsmål, eller send os en E-Mail .