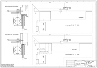
TS 4000 EN 5-7 med holdearm * Udenpåliggende dørlukker med arm til enfløjede døre op til 1600 mm dørfløjbredde
- Lukkekraft med variabel justering på EN 5-7
- Anvendelig til højre- og venstrelukkende døre uden omstilling
- Mekanisk fasthold via hold-åben-forbindelse med hold-åbent-område 70°-150°
- Hydraulisk låsefunktion, der accelererer døren kort før den når lukket position
- Lukkehastigheden kan tilpasses individuelt
- Integreret åbningsbremse, bremser kraftigt kastede døre
- Visning af lukkekraft til en nem kontrol af indstillingen
- Alle funktioner kan justeres fra forsiden (undtagen låsefunktion)
Anvendelsesområder
- Højre- og venstrehængte enkeltvirkende døre
- Hold-åben-funktion til døre uden røg- og brandsikkerhedskrav
- Enkeltvirkende døre op til 1600 mm dørfløjbredde
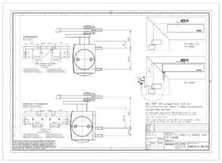
- Dørblad montage hængselside
Produktspecifikationer
| TS 4000 EN 5-7 med holdearm | |
| Lukkekraft iht. EN 1154 | EN 5 - 7 |
| Dørfløjbredde (maks.) | 1600 mm |
| Monteringstype | Dørblad montage hængselside |
| Åbningsvinkel (maks.) | 180 ° |
| Lukkekraft indstillelig | Ja, med variabel justering |
| Lukkehastighed indstillelig | Ja |
| Endeanslag indstillelig | Ja, via standardarm |
| Åbningsdæmpning integreret | Ja, hydraulisk indstillelig |
| Position lukkekraftjustering | Foran |
| Visning af lukkekraft | Ja |
| Fasthold | Mekanisk |
| Hold-åbent-område | 50 ° - 170 ° |
Downloads
LABELLING OBLIGATION: © GEZE GmbH
Varianter & Tilbehør
* Note om de viste produkter
Det ovennævnte produkt kan variere i form, type, karakteristika og funktion (design, dimensioner, tilgængelighed, godkendelser, standarder, etc.) afhængigt af landet. Kontakt venligst din kontaktperson hos GEZE ved spørgsmål, eller send os en E-Mail .