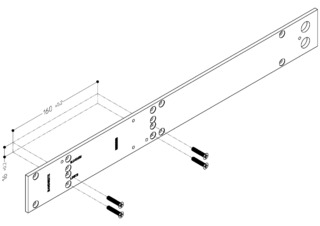
Montageplade dørlukker * Til TS 5000 RFS KM / TS 4000 R(-IS) med hulmønster iht. DS/EN 1154, bilag 1
- Med boremønster iht. DS/EN 1154, bilag 1
Anvendelsesområder
- Montering af dørlukker iht. DIN hulmønster
Produktspecifikationer
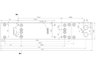
| Montageplade dørlukker | |
| Montageplade med hulmønster iht. EN 1154 tillæg | Ja |
Downloads
LABELLING OBLIGATION: © GEZE GmbH
Varianter & Tilbehør
* Note om de viste produkter
Det ovennævnte produkt kan variere i form, type, karakteristika og funktion (design, dimensioner, tilgængelighed, godkendelser, standarder, etc.) afhængigt af landet. Kontakt venligst din kontaktperson hos GEZE ved spørgsmål, eller send os en E-Mail .