TS 4000 S * Udenpåliggende dørlukker med arm til 1-fløjede døre op til 1400 mm dørfløjbredde med lukkeforsinkelse
- Variabelt justerbar lukkekraft EN 2-6
- Anvendelig til højre- og venstrelukkende døre uden omstilling
- Lukkeforsinkelse indstillelig for at tilpasse dørens lukkehastighed op til ca. 80° åbningsvinkel
- Hydraulisk låsefunktion, der accelererer døren kort før den når lukket position
- Lukkehastigheden kan tilpasses individuelt
- Integreret åbningsdæmpning, bremser døre, der er åbnet med stor kraft
Anvendelsesområder
- Brand- og røgdøre
- Højre- og venstrehængte enkeltvirkende døre
- Enkeltvirkende døre op til 1400 mm dørfløjbredde
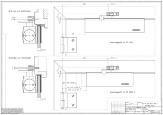
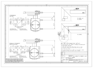
- Montage hængselside og montage modsat hængselside
- Dørblad montage modsat hængselsiden ved parallelarmmontage er mulig op til lukkekraft EN 5
Produktspecifikationer
| TS 4000 S | |
| Lukkekraft iht. EN 1154 | EN 2 - 6 |
| Barrierefri iht. DIN 18040 op til dørfløjbredde (maks.) i mm | 1100 mm |
| Dørfløjbredde (maks.) | 1400 mm |
| Monteringstype | Dørblad montage hængselside, Overligger montage modsat hængselside, Dørfløjmontage modsat hængselside |
| Åbningsvinkel (maks.) | 180 ° |
| Egnethed branddøre | Ja |
| Lukkekraft indstillelig | Ja, med variabel justering |
| Lukkehastighed indstillelig | Ja |
| Endeanslag indstillelig | Ja, via ventil |
| Åbningsdæmpning integreret | Ja, hydraulisk indstillelig |
| Lukkeforsinkelse integreret | Ja |
| Position lukkekraftjustering | Foran |
| Visning af lukkekraft | Ja |
| Fasthold | Valgfrit |
Downloads
Varianter & Tilbehør
* Note om de viste produkter
Det ovennævnte produkt kan variere i form, type, karakteristika og funktion (design, dimensioner, tilgængelighed, godkendelser, standarder, etc.) afhængigt af landet. Kontakt venligst din kontaktperson hos GEZE ved spørgsmål, eller send os en E-Mail .